
熔噴雙柱不停機換網器用于化纖、吹膜、平膜、流延膜、無紡布生產,管材、板材、線材、纖維的制造,切粒線,回收等。熔噴雙柱換網器在熔噴生產線的作用是:將熔體中的雜質過濾掉,以免堵塞噴絲孔。

1、不中斷料流,不中斷產品,實現不停機換網作業。
2、較大的過濾面積,適合不同物料,不同制品的擠出生產。
3、具有良好的密封特性,剛性密封,使用壽命長。
4、適用于高產能,益,大型擠出裝備的高產量連續化作業。

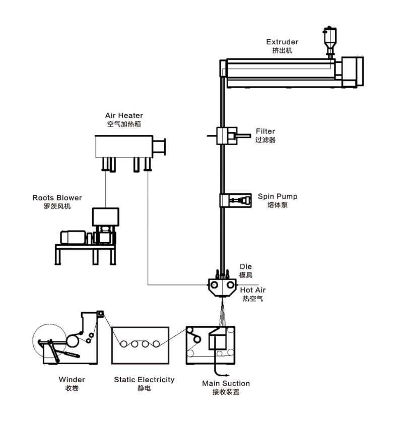
熔噴生產線工藝流程圖







鄭州巴特熔體泵有限公司——工廠圖

鄭州巴特專業從事熔體過濾不停機換網器的研發、推廣應用及技術服務。公司擁有多年從事不停機換網器生產應用的專業技術團隊。專注于熔體過濾器產品的功能實用性和質量穩定性,結合生產過程中熔體的特性,將的熔體換網過濾器技術轉化為實用、可靠的工業產品。為塑料、橡膠、化纖、膠黏劑、溶膠、涂飾料等各類熔體過濾,提供完善的不停機換網解決方案,使客戶及時得到優質、節能環保的熔體過濾產品,取得良好的生產工藝效果。